Hello everyone,
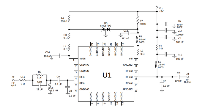
We are designing a PCB that includes the TQP7M9106 and plan to use the PA at 868 MHz. After reviewing the datasheet and reference design, we would like to understand how the values for R6 and R7 (connected to Vbias and Iref) are calculated. The evaluation board datasheet (TQP7M9106-PCB900) recommends 280 Ω (R6) and 240 Ω (R7) for 900 MHz.
Could you provide guidance on how these resistor values are determined, especially for operation at 868 MHz?
Thank you.
