DWM3001C module has built in IMU or accelerometer?

Hi!
I’ve been reading through the DWM3001C data sheet to understand it’s suitability.

My main question is if this module has an IMU or an accelerometer? The datasheet has a block diagram that mentions IMU, but it only refers to an accelerometer throughout.

The schematic shows an LIS2DH12TR accelerometer but shows a BNO055 and LSM6DSR as optional.

Could someone please me understand this better?

Cheers

Hi @wallygator88,

Indeed the DWM3001C has an accelerometer inside of the module. This is the LIS2DH12TR. Please see Section 1.3 of the data sheet for more details.

Where are you seeing reference to BNO055 and LSM6DSR?

Thank you!

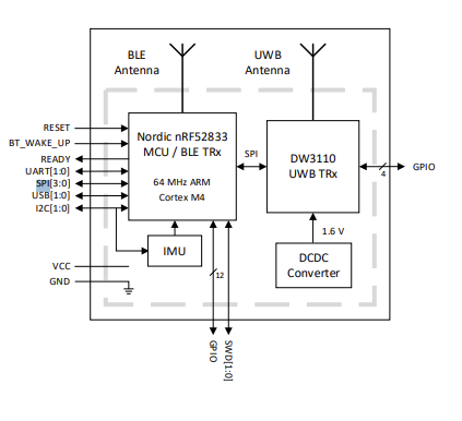
The data sheet has this figure which confused me

The schematic document (https://www.qorvo.com/products/d/da008300) makes reference to the BNO055 and LSM6DSR

Hi @wallygator88,

Thanks for the link to the schematic. On p.6 and p.7 they are listed as do not populate so they are not part of the production module.

1 Like