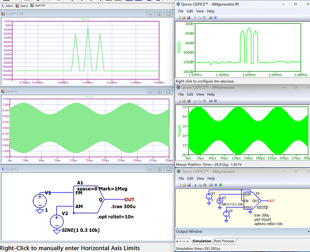
Different modulator frequency in LTspice and Qspice. The frequency differs by a factor of two!
Mike fixed this in Qspice update
06/20/2024 Improved the operation of the signal generator for AM/FM sine and cosine waves.
1 Like
